-
-
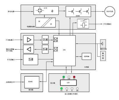
单相220V供电BLDC电机执行器驱动控制器
产品型号:CG-D2-CD400V1
本控制器集国内外执行器控制功能之大成,结合十年研究运行经验,以智能、汉字显示、红外遥控加霍尔按键操作及超强的稳定性赢得广大客户赞誉,采用IGBT变频驱动直流无刷(BLDC)电机,满足智能型电动执行器所有功能要求,适用于各种类型电动执行机构,作为电动执行器控制核心,可极大提高电动执行器性能及档次,被广泛应用在各种执行器的升级改造上。
- 产品介绍
- 相关产品
功能特点
1. 直接变频驱动BLDC电机,调速范围宽。
2. 速度控制及电子刹车控制功能。
3. 电机软启动,软停机,无冲击电流。
4. 三段式速度自动调节,配合位置、速度、力矩三重数字PID调节,阀门精确定位。
5. 电机速度可由用户自行设定,满足各种全行程时间要求。也可减少执行器型号配置的数量,减少库存。
6. 中英文双语菜单显示。
7. 本机显示可选择显示多种内容。
8. 液晶屏背光延时关闭。
9. 阀位反馈可采用电位器或者编码器,零满位自由设定。
10. 如采用编码器做阀位反馈,无需调整编码器安装角度,可在编码器360度范围内任意设置零满位。
11. 断信号检测与信号故障时多种定位设定。
12. 执行器运行正反逻辑设定。
13. 具备现场hall按键操作及红外遥控操作。
14. 上电状态手/自动可选。
15. 控制死区可调。
16. 具备标准MODBUS RTU通讯功能。
17. 三路可编程报警,适合各种用户需要。
18. 自动检测和诊断功能便于现场维护。
19. 参数分级设置,具备密码保护,防止误操作。
20. 出厂设置和用户现场设定的参数可本机备份保存,方便简单快速恢复,缩短故障检修时间。
21. 输入输出光电隔离。
22. ESD紧急功能。
23. 可选择远程开关量输入控制,适应不同类型控制信号。
24. 电子力矩保护。
25. 电子上下限位保护。
26. 机械上下限位接口。
27. 电机热保护控制。
28. 电机反转延时保护。
29. 温度检测补偿与保护,在更宽的范围内保证可靠及控制精度。
30. 特有的冗余技术使控制系统更加稳定。
31. 严格的电磁干扰防护。
32. 完全符合国家有关执行器标准,主要技术指标均优于国家标准。
技术性能
1. 供电电源: 单相220 V±20% 50 HZ±10%
2. 额定功率:MAX 400W(依所配电机功率而定)
3. 额定转矩:(依所配电机功率而定)
4. 调速范围:(依所配电机功率而定)
5. 阀位反馈传感器:
1、电位器阻值 1K~10K
2、编码器 专用单圈绝对值磁编码器(需另外购买)
6. 输入信号:
1、 DC 4~20mA.输入阻抗120欧
2、 开关量(点动或自保持信号)
7. 输出信号:
1、DC4~20mA.负载阻抗≤500欧
2、三路无源报警接点
8. 基本误差:≤0.5%
9. 断信号基准值:≤3.4ma
10. 回差:≤1%。
11. 死区:≤0.5%~3% 连续可调。
12. 阻尼特性:无摆动。
13. 每小时操作次数:≥1200次
14. 通讯协议:Modbus Rtu(可选)
15. 使用温度:-20~70℃
16. 存储温度:-40~100℃
17. 相对湿度:≦90%(25℃)
18. 震动:5.9M/S2 MAX
19. 尺寸:(长X宽X高) 110 X 75 X 55 (MM)
20. 重量:0.6KG
21. 保护等级:
22. 冷却方式:自然冷却,重载或特别恶劣环境须加散热片

查看大图